

描述:
電子張力儀, 電池供電, 適用于短時間測量.
手持式設計適用于測量低彈性材料測量.
大直徑導輪保護材料免受材料彎曲的損害.
直徑從屏幕上讀出測量值.
導入運行的材料非常簡單
應用:用于測量光纖, 碳纖維等易受彎曲損害的材料的張力.
額定量程:Handy-Tens-LWL:0 - 1999 cN, 分辨率: 1 cN
Handy - Tens-LWL - C:0 – 100,0 N, s分辨率: 0,1 N
過載保護:500 %
顯示:數字液晶LCD 顯示, 3 ? 位, 10 mm高, 每秒顯示三個測量數據
峰值顯示:選項: 按住按鈕時,只有峰值被顯示出來.
保持功能:按住按鈕時,當前值被保持顯示出來
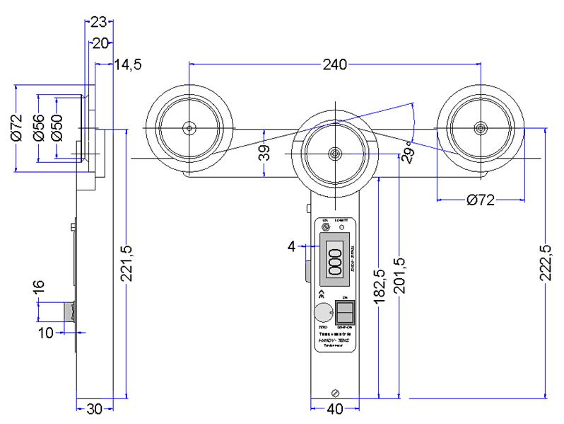
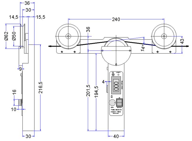
材料導向:? 50 mm軸承的3個V型低摩擦導輪
標定:工廠標定, 客戶也可以在任何時間自己標定
測量誤差:< 1% 滿量程
零點調整:通過旋鈕方便調整過.
阻尼:可以通過開關激活阻尼模式,應用于張力波動劇烈的測量中 。
供電電源:9 V電池, 型號 6LR61,
操作時間約75 小時
電池控制:電池控制燈
外殼材質:鋁合金 重: 500 克
發貨內容:帶有包裝箱的Handy – Tens - LWL, 操作手冊, 9V電池
其它可選配件:可充電9V電池, 充電器
尺寸Handy-Tens-LWL-:


3 種不同的導線路徑可調整:
1)特別適用于手持式測量.線材導入簡單方便.
2)主需要把張力儀旋轉的圖1位置,即可實現測量.
3 )適用于張力儀固定在設備上進行測量.
4 )適用于固定安裝在設備上測量.
被測材料線徑變化對測量結果無影響